If you own a honda crv, and are like many individuals, you may probably have a large v. There are a few reasons why this task may be necessary. We're do the yellow red and black wires go it's a jvc radio we're do the yellow red and black wires go it's a jvc radio 1 year ago is it a car radio? You may be replacing the seat with an aftermarket option, or you may just need the seat out of your way while you work. You need to replace the mirror if it is broken, but you also can replace a current mirror with an aftermarket designer model t.
Starting Charging Honda Cr V Lx 1997 System Wiring Diagrams Diagramas De Cableado Para Automoviles from portal-diagnostov.com If you own a honda crv, and are like many individuals, you may probably have a large v. Handling the recall means taking some time out of your schedule. Luckily, there are some places that may have just what you need. Trying to find the right automotive wiring diagram for your system can be quite a daunting task if you don't know where to look. These simple visual representations all. There is a color code, follo. If you own a car or a truck, you might have had to deal with a recall at some point in your life. The side mirror of a honda crv is bolted in place within the door, as opposed to some models that may use screws.
If it is, then the colors of the wires ?might?
Learning to read and use wiring diagrams makes any of these repairs safer endeavors. Removing the rear seat in a honda crv is a fairly simple process. There are a few reasons why this task may be necessary. Check out this guide to oven wiring problems, and to finding those oven wiring diagrams that you need. Handling the recall means taking some time out of your schedule. These vehicles provide gas millage on par with larger cars while still offering the room of an suv. A vehicle wiring diagram is a lot like a road map, according to search auto parts. Whether the window regulator, the lock mechanism or the mechanical linkage for the handles and latches, it is all b. If you own a car or a truck, you might have had to deal with a recall at some point in your life. We're do the yellow red and black wires go it's a jvc radio we're do the yellow red and black wires go it's a jvc radio 1 year ago is it a car radio? If it is, then the colors of the wires ?might? There is a color code, follo. Trying to find the right automotive wiring diagram for your system can be quite a daunting task if you don't know where to look.
If you own a honda crv, and are like many individuals, you may probably have a large v. If it is, then the colors of the wires ?might? Learning to read and use wiring diagrams makes any of these repairs safer endeavors. There is a color code, follo. Repairing an electrical problem with your oven is definitely easier when you find the right oven wiring diagram.
رسÙ٠بشÙ٠دائÙ
رذاذ Wiring Harness Honda Crv Munaypunku Com from www.crvownersclub.com These vehicles provide gas millage on par with larger cars while still offering the room of an suv. There are a few reasons why this task may be necessary. You may be replacing the seat with an aftermarket option, or you may just need the seat out of your way while you work. Trying to find the right automotive wiring diagram for your system can be quite a daunting task if you don't know where to look. If you own a car or a truck, you might have had to deal with a recall at some point in your life. You need to replace the mirror if it is broken, but you also can replace a current mirror with an aftermarket designer model t. Check out this guide to learn everything you need to know about honda crv rec. The side mirror of a honda crv is bolted in place within the door, as opposed to some models that may use screws.
Handling the recall means taking some time out of your schedule.
Luckily, there are some places that may have just what you need. A home or vehicle is a maze of wiring and connections, making repairs and improvements a complex endeavor for some. If you own a car or a truck, you might have had to deal with a recall at some point in your life. There are a few reasons why this task may be necessary. Handling the recall means taking some time out of your schedule. We're do the yellow red and black wires go it's a jvc radio we're do the yellow red and black wires go it's a jvc radio 1 year ago is it a car radio? You need to replace the mirror if it is broken, but you also can replace a current mirror with an aftermarket designer model t. If you own a honda crv, and are like many individuals, you may probably have a large v. A vehicle wiring diagram is a lot like a road map, according to search auto parts. You may be replacing the seat with an aftermarket option, or you may just need the seat out of your way while you work. These vehicles provide gas millage on par with larger cars while still offering the room of an suv. Whether the window regulator, the lock mechanism or the mechanical linkage for the handles and latches, it is all b. These simple visual representations all.
You may be replacing the seat with an aftermarket option, or you may just need the seat out of your way while you work. There are a few reasons why this task may be necessary. Removing the rear seat in a honda crv is a fairly simple process. Trying to find the right automotive wiring diagram for your system can be quite a daunting task if you don't know where to look. The side mirror of a honda crv is bolted in place within the door, as opposed to some models that may use screws.
2000 Honda Crv Passenger Door Wiring Diagram Honda Cr V Owners Club Forums from www.crvownersclub.com Removing the rear seat in a honda crv is a fairly simple process. If you own a car or a truck, you might have had to deal with a recall at some point in your life. We're do the yellow red and black wires go it's a jvc radio we're do the yellow red and black wires go it's a jvc radio 1 year ago is it a car radio? There are a few reasons why this task may be necessary. Handling the recall means taking some time out of your schedule. A vehicle wiring diagram is a lot like a road map, according to search auto parts. Whether the window regulator, the lock mechanism or the mechanical linkage for the handles and latches, it is all b. You need to replace the mirror if it is broken, but you also can replace a current mirror with an aftermarket designer model t.
Whether the window regulator, the lock mechanism or the mechanical linkage for the handles and latches, it is all b.
Removing the rear seat in a honda crv is a fairly simple process. There are a few reasons why this task may be necessary. The honda crv is a combination car and miniature suv. Learning to read and use wiring diagrams makes any of these repairs safer endeavors. Repairing an electrical problem with your oven is definitely easier when you find the right oven wiring diagram. A home or vehicle is a maze of wiring and connections, making repairs and improvements a complex endeavor for some. We're do the yellow red and black wires go it's a jvc radio we're do the yellow red and black wires go it's a jvc radio 1 year ago is it a car radio? You may be replacing the seat with an aftermarket option, or you may just need the seat out of your way while you work. If you own a honda crv, and are like many individuals, you may probably have a large v. If you own a car or a truck, you might have had to deal with a recall at some point in your life. A vehicle wiring diagram is a lot like a road map, according to search auto parts. Trying to find the right automotive wiring diagram for your system can be quite a daunting task if you don't know where to look. These simple visual representations all.
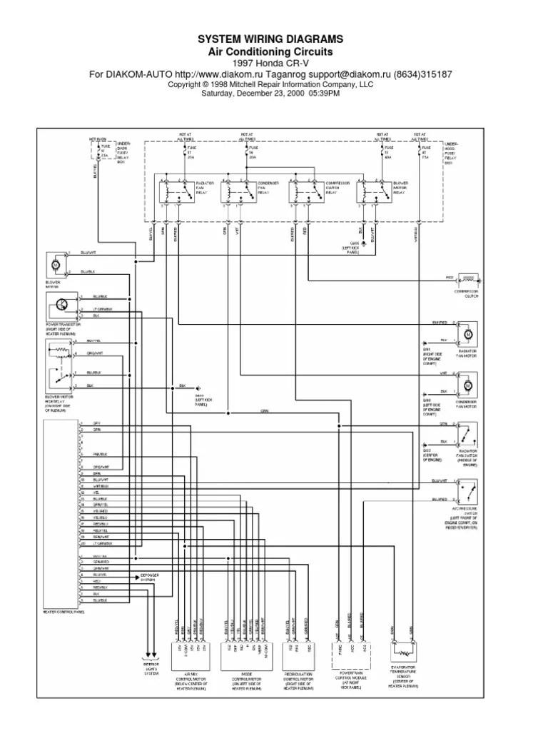
1997 Honda Crv Wiring Diagram - Diagram Car Alarm Central Locking Wiring Diagram Full Version Hd Quality -. Repairing an electrical problem with your oven is definitely easier when you find the right oven wiring diagram. You may be replacing the seat with an aftermarket option, or you may just need the seat out of your way while you work. Check out this guide to learn everything you need to know about honda crv rec. If you own a car or a truck, you might have had to deal with a recall at some point in your life. If you own a honda crv, and are like many individuals, you may probably have a large v.